特点:
最大推力可达 200KG
铝合金内外管设计,底盖加固设计
最大速度在负载 20KG 时可达 58mm/s全金属齿轮传动,寿命可达三万次
可内置电位计
防护等级可达 IP65 ,适合室外使用48V/36V/24V /12V 电机均可选择超载保护功能
免维护
定制:
执行器的定制是为了配合您的实际需求。不管您有怎样的技术要求, 您可以告知我们,我们的工程师可以最大限度的按照 您的要求给您配置最适合的执行器产品。JIMI 品牌执行器产品线可以广泛定制,并且在定制特殊执行器方面非常有经验,也愿意配合您的要求来特殊定制。
电位计反馈:
电位计提供一个模拟量输出信号,可以用来确定伸缩管的位置。在断电和再通电情况下,电位计会记住该位置。
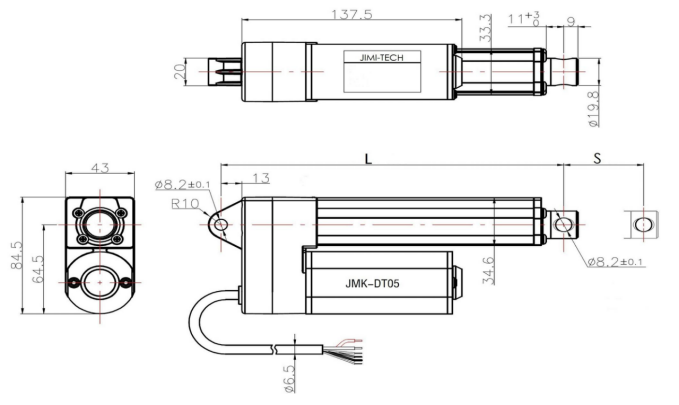
标准产品安装尺寸:
Stroke: 30~300mm
L =S+112mm Stroke: 300~500mm L =S+127mm
Stroke: 500~600mm L =S+137mm 图纸安装孔向为正 90 度,(标准)

带电位计产品安装尺寸:
Stroke: 30~300mm L =S+142mm Stroke: 300~500mm L =S+155mm
Stroke: 500~600mm L =S+170mm 图纸安装孔向为正 90 度,(标准)

如何选型订购:
